Назначение: предназначен для охлаждения кондитерских масс (мармелада, суфле и др.)
Стол изготовлен в исполнении для использования в районах с умеренным и холодным климатом. Эксплуатация стола допускается в закрытых помещениях с температурой воздуха от +5°С до +40°С относительной влажностью до 80 %.
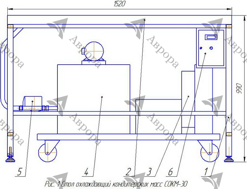
Состав стола
В состав стола входят следующие составные узлы:
- Рама;
- Водяная рубашка с датчиком температуры;
- Холодильная установка;
- Водяной бак с мешалкой и приводом;
- Насос водяной;
- Блок управления;
Устройство и принцип работы
Все узлы и механизмы стола смонтированы на раме сварной конструкции - 1, выполненной из труб прямоугольного профиля. Внешнее оформление стола заканчивается защитной обшивкой с декоративным покрытием. Рабочая площадь стола ограниченна бортиками.
Все конструктивные элементы стола, контактирующие с продуктами питания, выполнены из нержавеющей стали.
Принцип работы стола основан на принудительной циркуляции холодной воды в водяной рубашке. Вода охлаждается с помощью холодильной установки.
Циркуляция охлажденной воды происходит по схеме: водяной бак 4—водяной насос 5—водяная рубашка 2—водяной бак 4. Для равномерного охлаждения воды в водяном баке установлена мешалка с приводом от мотор-редуктора.
Для контроля температуры воды в водяной рубашке и управления холодильной установкой используется контроллер (электронный регулятор) с термочувствительным датчиком.
Комплектность поставки
- Стол охлаждающий кондитерских масс СОКМ—30, 1 шт.
- Руководство по эксплуатации, экз, 1 шт.
- Паспорта на покупные комплектующие изделия, экз., 1 шт.
- Гарантийный талон, 1 шт.


